website page counter

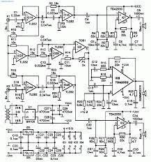
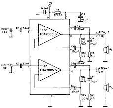
Tda2052 Diagrama

Best image references website

Tda2052 Diagrama.

Projeto De Som De Alta Fidelidade 200 Watts Nova Eletronica Alta Fidelidade Circuito Eletronico Amplificador
Projeto De Som De Alta Fidelidade 200 Watts Nova Eletronica Alta Fidelidade Circuito Eletronico Amplificador from br.pinterest.com

close