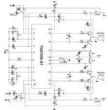
La4508 Subwoofer Circuit Diagram. This subwoofer amplifier circuit consists of a tl072 low noise jfet dual operational amplifier ic1 and two lm1875 ic2 and ic3 power amplifiers. Here we designed a sallen key low pass filter using opamp lm7332.
You can find a glossary of terms below the interactive module. This amplifier circuit will have output 30w 30w stero sound amplifier. Jun 3 2019 la4508 amplifier circuit board using la4508.
Apr 2 2018 explore abhijit halder s board simple subwoofer circuit diagram on pinterest.
8 5w 2 channel af power amplifier la4508 datasheet la4508 circuit la4508 data sheet. In front of each. In this article we ll help you find the best subwoofer wiring diagram for hooking up your system. The cut off frequency was assumed to be 200hz and the quality factor is assumed to be 0 707.
