website page counter

Atx Power Supply Schematic Diagram Pdf

Best image references website

Atx Power Supply Schematic Diagram Pdf. Mpac power supply functional diagram attention. Better safe than regret later.

Component Atx Power Supply With Adjustable Voltage Current Modified Switching Variable Tl494 Modiye Smps Devre S Universal Regulati Eletronica Diagrama Fontes
Component Atx Power Supply With Adjustable Voltage Current Modified Switching Variable Tl494 Modiye Smps Devre S Universal Regulati Eletronica Diagrama Fontes from www.pinterest.com

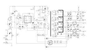
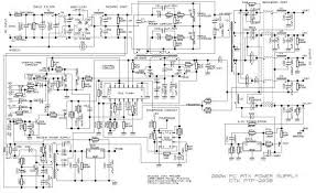
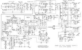
An annotated schematic of 250w atx power supply with active power factor correction pfc. This power supply has atx design and 200w performance. On this page i collect the schematics of switching supplies for computers smps atx v 1 0 atx v 2 0 and some at which i found on internet.

This is because without load the output voltages produced will become very high and this will trigger the protection circuit to shut down the power.

Better safe than regret later. 12v and 5v output many ideas of 12v and 5v dual power supply circuit diagram at 3a max. 12v 1a linear regulator using transistor and zener diode. By the way you can t test an atx power supply without load otherwise it may turned on for a while and then shut down.

close