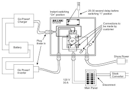
Solar Automatic Transfer Switch Diagram. In our step by step electrical wiring installation tutorials series we will show how to wire and connect single phase and three phase automatic and manual changeover and transfer switches to the home distribution board to use the backup power supply such us batteries power with ups and inverters or generator power in case of emergency breakdown and power outage. The design must be such that it will keep the two systems separate in order to avoid damage from the electric utility company line voltage system.
Tva sent a technician with a meter to make sure that if the grid power goes off my solar array will not back feed into the grid possibly endangering a lineman. The relay has an electromagnet coil that holds the switch down against a spring when the grid power is present. Shorter close up video of the build.
This basically does the same thing but uses a relay instead of a human in the loop.
You can use an automatic transfer switch ats. On this design you will have a dpdt switch. Solar power design with ats for a grid tied system an ats or automatic transfer switch may be incorporated into the solar power design. Tva sent a technician with a meter to make sure that if the grid power goes off my solar array will not back feed into the grid possibly endangering a lineman.
