Single Line Diagram Electrical. Note how much simpler and cleaner the single line diagram is compared to the schematic diagram of the same power system. We use universally accepted electrical symbols to represent the different electrical components and their relationship within a circuit or system.
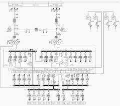
The architectural wiring diagram can be referred to as a one line diagram. An electrical one line diagram is a representation of a complicated electrical distribution system into a simplified description using a single line which represents the conductors to connect the components. A single line diagram also referred to as a one line diagram is usually a single page document that represents a facilities electrical distribution infrastructure.
An electrical one line diagram is a representation of a complicated electrical distribution system into a simplified description using a single line which represents the conductors to connect the components.
Single line diagrams do not show the exact electrical connections of the circuits. All reserved urvub118md std s3ø6a sheet rev dgn. A single line can show all or part of a system. The one line diagram has its largest application in power flow studies.
