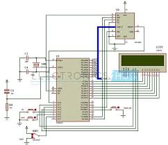
Simple Digital Clock Circuit Diagram. How digital clocks work. The output for generating an alarm signal at pin 16.
The output for driving the display duplex model numbers pin 1 14 2. To create the rest of the clock you will need. Pressing sw1 will cause seconds to be displayed.
We use d flipflops in the main digital block connection in order to create a delay to match the time flow.
The voltages that supplied to the circuit are divided in two lines. This is digital clock schematic diagram. This circuit is quite complex and quite difficult for a newbie because this circuit uses ic with some a complicated connections. As may be witnessed in the given diagram the heart of the circuit is formed by the ic1 lm8560 which is assigned with the following outputs terminals.
