Remote Control Car Circuit Board Diagram. Digital data s from the switches are encoded by the ht12e encoder ic and are transmitted to the receiver through ask rf module. The state of the switches on off is the control.
The above remote control circuit consists of three important components keypad encoder ic ht12e and a rf transmitter rf433 module. The circuit diagram for the design is as shown above. Get circuit diagram of remote control car pdf download and save both time and money by visit our website available in formats pdf kindle epub itunes and mobi also.
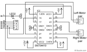
Circuit diagram of remote control.
Get circuit diagram of remote control car pdf download and save both time and money by visit our website available in formats pdf kindle epub itunes and mobi also. To operate the toy car you need to hold the transmitter in your hand keeping it pointed at the toy car which has the receiver fitted inside and simply press a switch provided on. To turn left the right motor is turned on and pivots on the left wheel and vice versa. Tagged remote control electric mower remote control hovercraft remote control quarter scale jet cost remote control repair remote control trucks 4x4 remote control webex remote control websites remote.
