website page counter

Phase Inverter

Best image references website

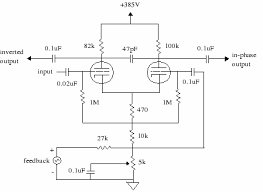
Phase Inverter. Its function is relatively simple. The phase inverter is one of the most important tubes in your amp and the hardest worked tube in the preamp section of your amp.

3 Phase Inverter Circuit Circuit Projects Electronic Circuit Projects Circuit Diagram
3 Phase Inverter Circuit Circuit Projects Electronic Circuit Projects Circuit Diagram from www.pinterest.com

Take a signal input and create two outputs one that is identical e g. But it is not correct to refer to it as a power tube just the same as it is technically incorrect to refer to it as a preamp tube. The phase inverter is one of the most important tubes in your amp and the hardest worked tube in the preamp section of your amp.

Take a signal input and create two outputs one that is identical e g.

To maintain constant frequency the vsi is forced to operate at desired frequency. Of all the circuits in a tube amplifier the phase inverter also known is the phase splitter is the most difficult to understand by even some experienced techs. To maintain constant frequency the vsi is forced to operate at desired frequency. 174930 00 leeson single phase to three phase inverter 1 4 hp 230v.

close