website page counter

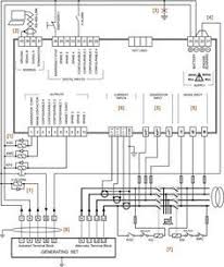
Generator Wiring Diagram And Electrical Schematics Pdf

Best image references website

Generator Wiring Diagram And Electrical Schematics Pdf.

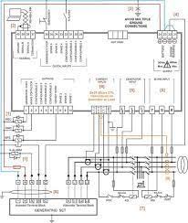
Unique Wiring Diagram For Olympian Generator Diagram Diagramsample Diagramtemplate Wir Generator Transfer Switch Electrical Circuit Diagram Circuit Diagram
Unique Wiring Diagram For Olympian Generator Diagram Diagramsample Diagramtemplate Wir Generator Transfer Switch Electrical Circuit Diagram Circuit Diagram from www.pinterest.com

close