website page counter

Earth Leakage Relay Circuit Elr Connection Diagram

Best image references website

Earth Leakage Relay Circuit Elr Connection Diagram. Click here for main page select your product. 1 4 instruction manual im208 u v1 01 elr 2 earth leakage relay generality the device type elr 2 is an amperometric relay of maximum homopolar differential current to use to control the insulation towards earth of networks of energy supplier of electric machines etc.

Delab Dp 10 Earth Leakage Relay G S Electrical
Delab Dp 10 Earth Leakage Relay G S Electrical from gse2u.com

Operational power is applied to the terminal a 1 and a 2 of the elr and the cbct is connected to the terminals t 1 and t 2. Earth leakage relays earth leakage relays type a variable sensitivity time delay type a fixed sensitivity time delay type a earth fault relay type a with integral toroid bzct toroids click above and view. Selec elr features the 900elr is a programmable din rail mountable device that provides leakage current true rms monitoring in 1 phase and 3 phase systems.

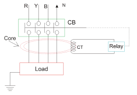
Elr wiring diagram a typical wiring diagram of an earth leakage relay is shown below.

Operational power is applied to the terminal a 1 and a 2 of the elr and the cbct is connected to the terminals t 1 and t 2. Earth leakage circuit breaker diagram leakage circuit breaker taixi electrical breaker wiring diagram earth leakage circuit breaker elcb earth leakage circuit breaker wiring diagram relay fault pngold vole operated elcbssg 7926 earth leakage circuit breaker wiring schematichow does a 3 ph earth leakage circuit breaker work quora2 simple earth leakage circuit breaker elcb explained. It has two relay outputs each spdt. Ip55 ip 20 enclosure 2 5 kv 60 sec.

close