website page counter

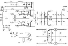
500w Atx Power Supply Schematic Diagram

Best image references website

500w Atx Power Supply Schematic Diagram. 200w atx pc power supply htm. Well apevia probably makes the psu.

60 Volt Switching Power Supply For Pa Power Supply Circuits Switched Mode Power Supply Power Supply Circuit Power Supply
60 Volt Switching Power Supply For Pa Power Supply Circuits Switched Mode Power Supply Power Supply Circuit Power Supply from www.pinterest.com

On this page i collect the schematics of switching supplies for computers smps atx v 1 0 atx v 2 0 and some at which i found on internet. Atx power supply schematic with active pfc author. I couldn t find reference of this wire in the case user s manual so i will have to find out i want the headroom w will provide in case i end up.

Apevia atx rpw raptor w atx power supply.

Apevia 500w psu wiring diagram. Power inverter schematic diagram wire center. 2008 atx 500w schematic. Its construction is typical for a modern computer psu with mosfet switches and active power factor correction pfc.

close