website page counter

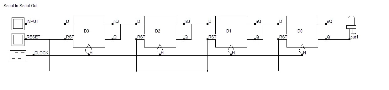
4 Bit Shift Register Truth Table

Best image references website

4 Bit Shift Register Truth Table.

Carry Select Adder Vhdl Code Coding The Selection Carry On
Carry Select Adder Vhdl Code Coding The Selection Carry On from www.pinterest.com

close