3 Digit Digital Voltmeter Circuit Diagram. The complete digital voltmeter circuit diagram is shown in the above figure. Saved by arturs mekšs.
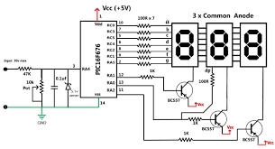
On the hardware part the pic16f676 has 10 bits 8 channels since most of pic microcontrollers has either 8 bit or 10 bit analog to digital converter module. Adjust vr1 to tune a correct voltage reading. The same principle applies to the dc voltmeter.
Then enter to the ac to dc converter circuit by ic1 and accessories in figure 3.
Very useful for home solar projects pins leads connections black common ground ve red power supply to the module ve. Led digital voltmeter circuit diagram with ic7107 the voltage intended to measure is fed to the circuit through resistors and capacitors as shown in the figure. Then enter to the ac to dc converter circuit by ic1 and accessories in figure 3. On the hardware part the pic16f676 has 10 bits 8 channels since most of pic microcontrollers has either 8 bit or 10 bit analog to digital converter module.
